1. Dasar-Dasar PLC OMRON CP1E-NA20DR-A
a. Fitur Utama OMRON CP1E-NA20DR-A
PLC OMRON CP1E-NA20DR-A merupakan produk PLC keluaran dari pabrikan ternama OMRON Corporation dari seri SYSMAC CP dengan menggunakan CPU type NA, seri SYSMAC CP ini mengklaim hemat biaya dengan Peningkatan Kemampuan yang Disempurnakan untuk Pengendalian Analog dan Suhu (OMRON,2009). Gambar 2.8 menunjukkan bentuk fisik dari PLC OMRON CP1E-NA20DR-A.
Gambar 1.1 PLC OMRON CP1E-NA20DR-A
Sumber: OMRON, SYSMAC CP-series CP1E CPU Units
Fitur utama pada PLC OMRON CP1E-NA20DR-A diantaranya adalah sebagi berikut:
1. Dilengkapi analog I/O, 2 analog input dan 1 analog output
2. Dilengkapi Mounting Serial Option Boards, Ethernet Option Board and Analog Option Board
3. Koneksi kekomputer lebih mudah dengan menggunakan USB
4. Ekspansi tambahan untuk I/O Discrete / analog
5. Dilengkapi fungsi high speed counter yang lengkap
b. Indikator status pada PLC
Pada PLC OMRON CP1E-NA20DR-A terdapat beberapa indikator yang menunjukkan status dari PLC yang sedang digunakan berikut ini adalah indikator yang ada pada PLC OMRON CP1E-NA20DR-A.
Tabel 1.1 Indikator pada PLC OMRON
Indikator Input
Indikator ini akan menyala apabila input ON. Apabila terjadi kesalahan fatal, lampu indikator berubah sebagai berikut:
1. CPU atau I/O bus error : input indikator OFF
2. Memory atau sistem error : input indikator tetap pada status sebelum
kesalahan (error) terjadi, meskipun status input berubah.
Indikator Output
Indikator ini menyala ketika rele output ON.
c. Input dan Output
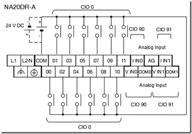
Input pada OMRON CP1E-NA20DR-A terdiri dari 3 kanal, yaitu kanal 0 yang terdiri dari 12 discrete input, Kanal 90 dan kanal 91 yang terdiri dari masing-masing 1 analog input dengan resolusi 6000. Input pada PLC ini masih bisa diekspansi.
Output pada OMRON CP1E-NA20DR-A terdapat 2 kanal, yaitu kanal 100 yang berisi discrete output dan kanal 190 yang berisi 1 analog output yang memiliki resolusi 2000, sama seperti input, outputpun masih bisa diperbanyak dengan cara melakukan ekspansi output.
d. Input dan Output Wiring
Wiring atau pengkabelan pada OMRON CP1E sama seperti PLC pada umumnya, yaitu menggunakan input COM yang digunakan secara bersamaan oleh input-input yang berada pada kanal yang sama, kemudian pada bagian bit digunakan untuk input. berikut adalah pengkabelan pada PLC OMRON CP1E-NA20DR-A.
Gambar 1.2 Wiring Input pada OMRON CP1E
Sumber: OMRON, SYSMAC CP1E CPU Units – I/O Wiring Diagram.
Gambar 1.3 Wiring output pada OMRON CP1E
Sumber: OMRON, SYSMAC CP1E CPU Units – I/O Wiring Diagram.
e. Komunikasi Serial PLC OMRON CP1E
Komunikasi serial antara PLC dan PC pada penggunaan HMI (Human Machine Interface) dilakukan dengan menggunakan kabel RS232 berupa port DB 9 dengan pengaturan pengawatan sebagai berikut.
Gambar 1.4 Konfiruasi kabel komunikasi serial PLC OMRON
Sumber: https://www.fa.omron.com.cn/data_pdf/mnu/w479-e1-09_cp1e.pdf?id=2064
Komunikasi serial pada PLC OMRON CP1E menggunakan metode komunikasi half duplex yaitu komunikasi dua arah namun dilakukan secara bergantian sedangkan sinkronisasi yang digunakan yaitu jenis sinkron start-stop, merupakan sinkronisasi yang digunakan untuk transmisi data dengan kecepatan tinggi. Sinkroniasi terjadi dengan cara mengirimkan pola data tertentu antara pengirim dan penerima. Pola data ini disebut dengan karakter sinkronisasi (synchronization character).
Penggunaan Baud rate pada CP1E terdapat beberapa pilihan diantranya 1.2, 2.4, 4.8, 9.6, 19.2, 38.4, 57.6, dan 115.2 kbps sedangkan protocol yang didukung adalah Host Link, 1:N NT Link, No-Protocol Mode, Serial PLC Links (master, slave) dan Modbus-RTU Easy Master.






0 komentar:
Post a Comment
Terimakasih anda telah berkomentar di halaman ini, kami akan mempertimbangkan komentar anda untuk kemajuan blog ini.